热网加热器是热网系统的关键设备,是热电厂的主要设备之一,其主要功能是利用汽轮机的抽汽或从锅炉引来的蒸汽(加热介质)来加热热水供应系统中的循环水以满足供热用户要求,从而实现热电联产。热网加热器分基本热网加热器和高峰热网加热器两种。基本热网加热器是在整个供热期间一直连续工作,承担基本热负荷即满足绝大部分供热期间用户对热水温度的要求。在冬季最冷期间,串联在基本热网加热器之后,提高供热的热水温度以满足用户对高温要求的热网加热器称为高峰热网加热器。



使用维护说明
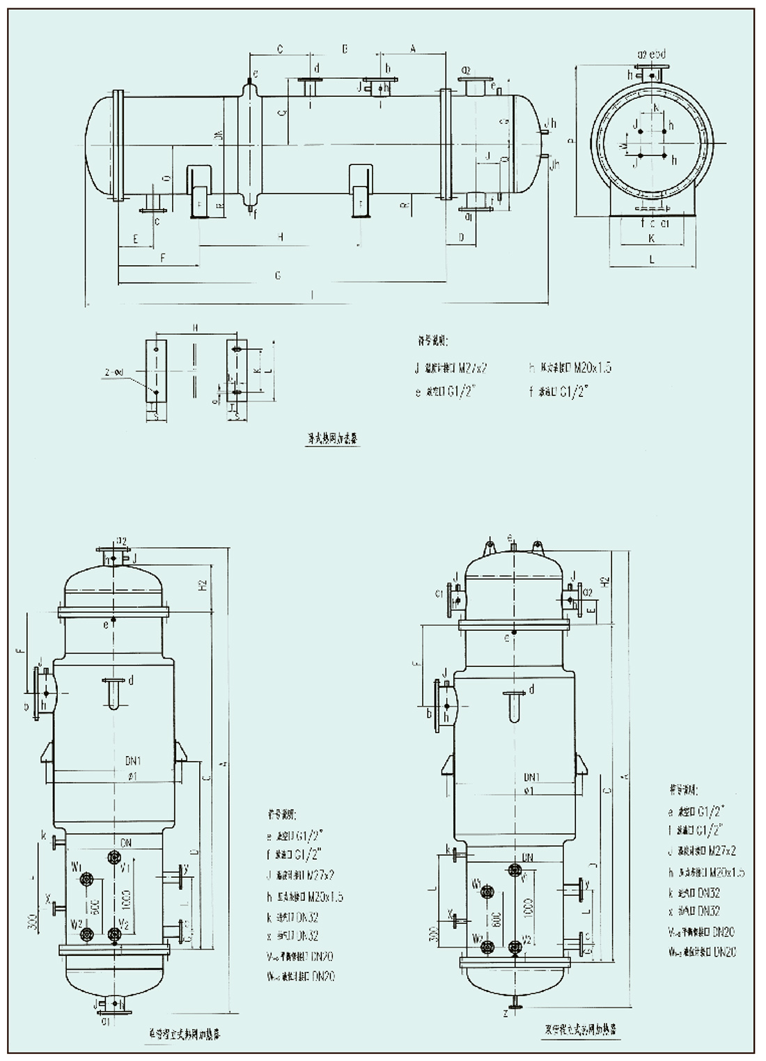
1. 适用范围
本说明书适用于热电厂或其它集中供热型式所使用的管壳式加热器。
2. 热网加热器的用途及分类
2.1 热网加热器是用来加热送往热网的水,加热蒸汽来自压力较高的汽轮机抽
汽或从锅炉引来的新汽经减温减压后做为热源,将热网水加热到所需的送水温
度。
2.2 热网加热器包括基本热网加热器和高峰热网加热器,基本热网加热器在整
个供暖期间均在运行,它能满足绝大部分供暖期间对水温的需要。因在冬季最
冷期间要求供暖的水温较高,故将基本热网加热器出口的水再引入与它串联的
另一个热网加热器内继续加热,此串联的热网加热器称高峰热网加热器,它仅
在最冷时才投入运行。
3. 设备的出厂
3.1 当热网加热器存放期较长,出厂时根据需要管、壳侧可充入纯度不小于99%
压力为0.05Mpa 的氮气进行防腐保护。
3.2 以下随机资料每台各一份
a. 产品合格证;
b. 质量证明书;
c. 竣工图;
d. 安装、运行、维护、使用说明书;
e. 发货清单。
4. 安装
4.1 安装前的检查
4.1.1 检查设备外形是否符合图样要求,在运输中是否产生碰伤情况。
4.1.2 检查各接口处是否有生锈影响密封的情况。
4.1.3 检查各紧固件是否有松动、锈、斑等现象。
4.1.4 设备安装前应,必须首先熟悉设备图纸和说明书,详细了解系统的连接和
安装。
4.2 场地和基础
4.2.1 应根据设备的结构形式,安装时在设备两端应留有足够的空间来满足拆
装、维修的需要。
4.2.2 基础尺寸应与支座尺寸相适应,基础可用混凝土浇注,也可采用钢结构,
当采用混凝土基础时,活动支座的基础面上应预埋基础垫板,基础垫板必须保
持平整光滑。
4.2.3 设备的就位安装
4.2.4 卧式设备放置在基础上,水平找正,立式设备放置在基础上,垂直找正,
中心线偏差小于5mm(或不论是水平还是垂直方向其倾斜角度不大于2°)。
安装时各接口连接均应符合图纸要求,法兰接口的密封面应清理干净,不得带
有任何影响密封的杂质和锈痕,并将所有螺母旋紧程度应均匀一致。
4.2.5 活动支座上有地脚螺栓的,应装有两个锁紧螺母,螺母与底板间应留有
1~3mm 的间隙。
4.2.6 设备安装后活动支座端应不妨碍设备的热膨胀。
4.2.7 设备应在不受力的状态下连接管线及配件,避免强力装配。
4.2.8 设备安装完毕后可按图纸要求进行水压试验。
5. 试车
5.1 试车前进行水压试验。试验前须重新紧固螺栓,其顺序应按图示进行,以
免密封面产生泄漏。(注:如采用焊接连接,此项可省略。)
5.2 试车前应查阅图纸有无特殊要求和说明等。
5.3 启动:
a. 检查各有关阀门,保护装置仪表,应工作正常并处于正确位置。
b. 先开启放气口,打开注水阀向管侧注水,检查管束是事情汇露。
c. 缓慢开启进汽阀,按限定值控制给水温升速度,然后投入疏水调节装置。
d. 当加热器金属温度接近给水温度时,关闭注水阀,开启给水进出口阀。
e. 检查壳侧排汽系统,应工作正常,在通汽过程中,当启动排汽口有蒸汽
逸出时,关闭启动排汽阀,但仍应保证运行排汽管路畅通。
5.4 运行:
a. 对各管道连接法兰等进行检查,如发现泄露及变形或异常响声,应立即
进行检修。
b. 对设备的监控装置应随时注意监视,如发现水位过高,压力反常或水
位报警器发出声光信号,则应严密监视,做应急准备。
c. 水位应控制在高水位和低水位之间,如水位超出正常范围则应彻底检查
疏水调节阀,禁止加热器长期超水位与无水运行。
d. 随进观察给水进出口温度和蒸汽的压力、温度。如有偏差,则可能影
响给水的换热效果。
e. 运行时排汽系统应连续投入,保证管道畅通,以便有效地排放壳侧不凝
气体,保持换热器的热力性能并减缓腐蚀。
5.5 开车或停车过程中,应逐渐升温和降温,避免造成压差过大和热冲击。
6. 运行和维护
6.1 设备不得在超过铭牌规定的条件下运行。
6.2 设备在运行过程中应经常对管、壳程的介质温度、压降、疏水量和管束的
振动情况进行监测,如发现异常,应及时分析原因,必要时应进行检修和维护,
在停运期间必须进行检修和维护。
6.3 对管束沉积物的清洗,根据具体条件可选用化学方法清洗或机械方法清洗。
6.4 热网循环水应经过防腐软化处理,其水质指标要求:溶氧小于100μg/L,
总硬度小于 700μmol/L,悬浮物小于5mg/L。
6.5 设备停止运行时,应将其内部水放净吹干,并及时关闭所有阀门,杜绝空
气进入汽、水系统,保持设备内的湿度不大于20%。
6.6 设备长期停用时应采取防腐措施。
6.6.1 充氮法:将水全部放尽吹干,密闭所有阀门后,充入并保持纯度不小于
99%,压力为0.05MPa 的氮气。
6.6.2 干燥剂法:将水全部放尽吹干,放入干燥剂,关闭所有阀门,经7~10 天
后检查干燥剂的情况,如已失效另换新药,此后每月检查,更换一次失效的药
品。
6.7 定期检验
6.7.1 设备的定期检验,按《固定式压力容器安全技术监察规程》规定。
6.7.2 设备外部检查和内部检验,内容及安全状况等级的规定,按《在用压力
容器检验规程》执行。
7. 注意事项
7.1 清洗管子时,不得将蒸汽直接吹入单根管子,避免引起管子变形或管子与
管板连接处松驰。
7.2 选用清洗剂时应与设备的材料相适应。
7.3 拆卸设备,只要垫片松动过,重装时垫片都必须更换成新的。
7.4 设备在水系统停运以后,严禁蒸汽进入汽系统。
7.5 当设备为不锈钢材料时,应严格控制热网循环水中的氯离子含量,使其不
大于25mg/L。
8.热网水位控制说明
|
|
|
|
水位控制系统如上图所示,包括就地液位计、电接点液位计、平衡容器、
差压变送器及调节器。
8.1 电接点液位测量筒用来接电接点液位计(有的用带远传的磁性液位计)。它
主要作远传液位用。
当设备壳侧内的液位偏离正常液位时,它发出报警提示。液位处于高一时,
电接点液位计会发出光信号。处于高二液位时,它发出声光信号,此时应密切
关注设备水位。处于高三液位时,应打开危急疏水阀,使设备内的液位处于正
常。如果打开危急疏水阀液位不能处于正常,打开疏水阀旁路,使液位降低,
并检查疏水阀是否完好。如果液位还不能处于正常液位,此时应停机检查设备
换热管、管板与换热管的联接是否泄漏。
当设备壳侧液位处于低一时,发出光信号;处于低二时发出声光信号。此
时首先打开疏水的旁路系统,然后检查疏水系统。如差压变送器是否正常、灵
敏;电动调节阀是否完好等。
8.2 就地液位计。用于就地巡视液位,并可对电接点液位计和平衡容器进行校
准。
8.3 平衡容器。取设备内的液位信号,传给差压变送器,转变成电信号经伺服
放大器后,作用于电动执行机构,来调节电动(气动)疏水调节阀的开度,从
而使液位处于正常位置。