服务热线:
4006-127-167
首页
关于微购彩
微购彩介绍
企业文化
发展历程
荣誉资质
团队介绍
企业风采
视频中心
企业文化
企业风采
新闻中心
公司新闻
行业新闻
贺山东华昱2018年度职工大会圆满闭幕
轻松旅游 快乐工作
产品中心
机组系列
换热器
板式热交换器
电站辅机
供水设备
非标设备
保温管道
高效智能板式热交换机组
湍流螺纹管换热器
项目案例
电厂行业
供热行业
化工机械行业
其他行业
电厂行业
供热行业
企业实力
科研研发
体系认证
生产实力
科研研发
生产实力
服务与支持
营销网络
客户服务
技术资料
下载中心
营销网络
技术资料
人力资源
岗位招聘
人才理念
员工风采
岗位招聘
人才理念
联系我们
联系方式
客户留言
联系方式
客户留言
公司新闻
行业新闻
公司新闻
首页
新闻中心
公司新闻
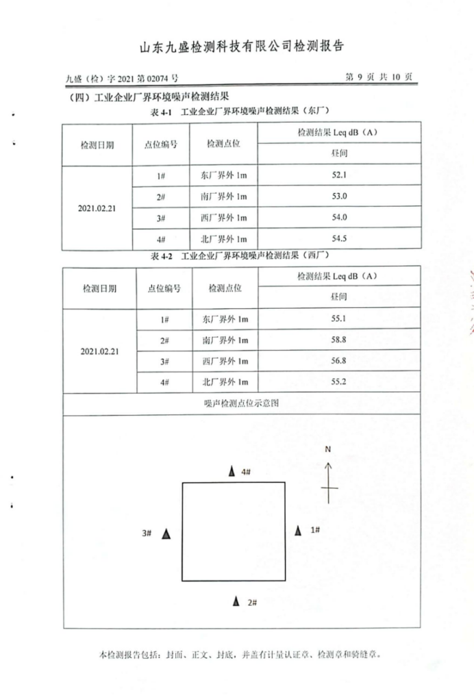
环境检测报告
文章来源:山东华昱
发布时间:2021/07/02
浏览量::次
上一篇:
区总工会到山东华昱开展“夏送清凉”慰问活动!
下一篇:
山东华昱开展“学党史、颂党恩、跟党走、庆党百年华诞”主题教育活动!